Jeep Line Drawing

Are you looking for the best images of Jeep Line Drawing? Here you are! We collected 33+ Jeep Line Drawing paintings in our online museum of paintings - PaintingValley.com.

ADVERTISEMENT

Most Downloads Size Popular

Views: 4316 Images: 33 Downloads: 26 Likes: 1

Like JPG
1398x1080 Gallery 'teraflex Jeep Coloring Pages' - Jeep Line Drawing

Gallery 'teraflex Je...

1398x1080 7 0

Like JPG
694x456 Pics Of Coloring Pages Jeep Wrangler Rubicon - Jeep Line Drawing

Pics Of Coloring Pag...

694x456 4 0

Like JPG
236x221 Best Jeep Drawings Images In Je Jeep Drawing, Jeep - Jeep Line Drawing

Best Jeep Drawings I...

236x221 2 1

Like PNG
160x160 Abeka Clip Art Red Jeep - Jeep Line Drawing

Abeka Clip Art Red J...

160x160 2 0

Like JPG
1000x564 Ancient Jeep Drawing Royalty Free Stock Image - Jeep Line Drawing

Ancient Jeep Drawing...

1000x564 2 0

Like JPG
842x948 Fun Cj High Hood For The Jeep Coloring Book Jeep Coloring - Jeep Line Drawing

Fun Cj High Hood For...

842x948 2 0

Like JPG
1024x679 Important Leaks Jeep Cherokee, Jeep Wrangler Jl Owner - Jeep Line Drawing

Important Leaks Jeep...

1024x679 1 0

Like JPG
800x800 Off Road For Jeep Niva Car Sticker Auto Removable Vinyl Decal - Jeep Line Drawing

Off Road For Jeep Ni...

800x800 1 0

Like JPG
400x316 Cartoon Jeep Clip Art Royalty Free Stock Image Jeep Truck - Jeep Line Drawing

Cartoon Jeep Clip Ar...

400x316 1 0

Like JPG
236x197 Jeep Drawing Jeep Drawing, Autos Cars - Jeep Line Drawing

Jeep Drawing Jeep Dr...

236x197 1 0

Like JPG
630x905 Jeep Tj Wrangler Fuel Parts - Jeep Line Drawing

Jeep Tj Wrangler Fue...

630x905 1 0

Like JPG
640x640 Sketches In Jeep Drawing - Jeep Line Drawing

Sketches In Jeep Dra...

640x640 1 0

Like JPG
960x526 Jeep Pencil Drawing Art Jeep Cars, Jeep, Vintage Jeep - Jeep Line Drawing

Jeep Pencil Drawing ...

960x526 1 0

Like JPG
633x950 Jeep Wrangler Yj Fuel Lines, Fuel Pumps Fuel Line - Jeep Line Drawing

Jeep Wrangler Yj Fue...

633x950 0 0

Like JPG
1920x1080 Row Jeep Suv Revealed In Patent Drawings - Jeep Line Drawing

Row Jeep Suv Reveale...

1920x1080 0 0

Like JPG
700x490 Hand Drawn Jeep Collection - Jeep Line Drawing

Hand Drawn Jeep Coll...

700x490 0 0

Like JPG
750x500 How To Draw A Jeep Step - Jeep Line Drawing

How To Draw A Jeep S...

750x500 0 0

Like JPG
692x455 J W Speaker A Pillar Light Mount Kits For Jeep - Jeep Line Drawing

J W Speaker A Pillar...

692x455 0 0

Like JPG
800x479 Jeep Cherokee - Jeep Line Drawing

Jeep Cherokee - Jeep...

800x479 0 0

Like JPG
750x500 Jeep Grand Commander Is Big - Jeep Line Drawing

Jeep Grand Commander...

750x500 0 0

Like PNG
600x600 Jeep Line Drawing - Jeep Line Drawing

Jeep Line Drawing - ...

600x600 0 0

Like JPG
1920x1080 Jeep Patent Drawings Show Seat Suv Could It Be The Wagoneer - Jeep Line Drawing

Jeep Patent Drawings...

1920x1080 0 0

Like JPG
288x237 Jeep Radiator And Cooling System Explained Quadratec - Jeep Line Drawing

Jeep Radiator And Co...

288x237 0 0

Like JPG
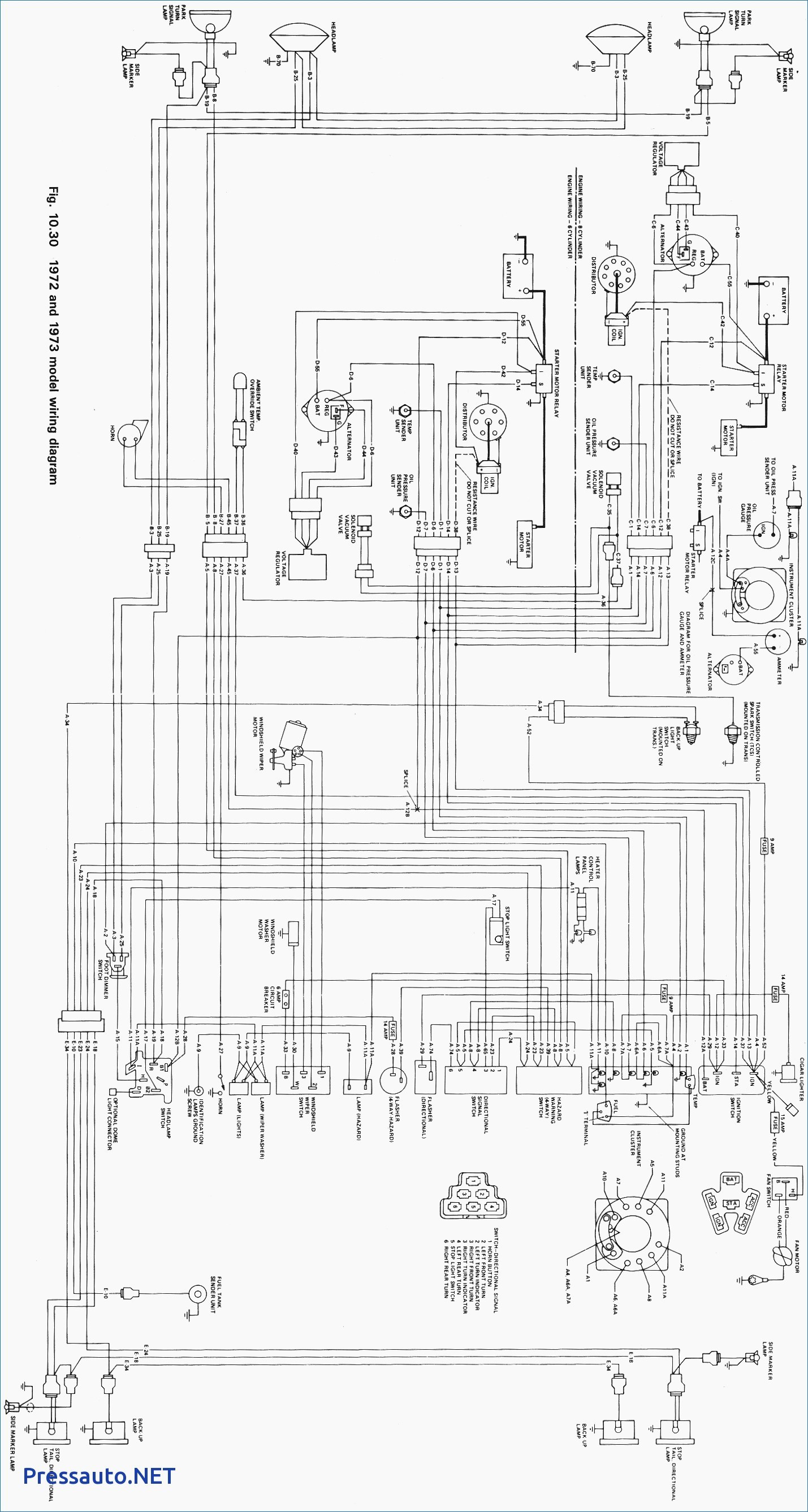
1429x2675 Jeep Wire Drawing - Jeep Line Drawing

Jeep Wire Drawing - ...

1429x2675 0 0

Like JPG
750x1000 Jeep Wrangler Line Art Sticker - Jeep Line Drawing

Jeep Wrangler Line A...

750x1000 0 0

Like JPG
630x765 Jeep Wrangler Tj Air Conditioning Parts - Jeep Line Drawing

Jeep Wrangler Tj Air...

630x765 0 0

Like JPG
820x480 Jeep Xj Hose Diagrams - Jeep Line Drawing

Jeep Xj Hose Diagram...

820x480 0 0

Like JPG
450x470 Jeep Line Icon Jeep Vector Thin Line Icon Isolated Symbol Logo - Jeep Line Drawing

Jeep Line Icon Jeep ...

450x470 0 0

Like JPG
450x319 Jeep Silhouette Gin Suv Silhouette With An Open Top - Jeep Line Drawing

Jeep Silhouette Gin ...

450x319 0 0

Like JPG
1000x565 Retro Drawing Of Ancient Jeep Vehicle Royalty Free Stock Image - Jeep Line Drawing

Retro Drawing Of Anc...

1000x565 0 0

Like JPG
1000x775 Retro Drawing Of Jeep Vector Royalty Free Stock Image - Jeep Line Drawing

Retro Drawing Of Jee...

1000x775 0 0

Like JPG
300x300 Stock Illustration Jeep Illustration Vector Wrangler Saved Layers - Jeep Line Drawing

Stock Illustration J...

300x300 0 0

Like JPG
1000x686 Vintage Jeep Drawing Vector Royalty Free Stock Image - Jeep Line Drawing

Vintage Jeep Drawing...

1000x686 0 0

Tags: jeep, line

All rights to paintings and other images found on PaintingValley.com are owned by their respective owners (authors, artists), and the Administration of the website doesn't bear responsibility for their use. All the materials are intended for educational purposes only. If you consider that any of the materials violates your rights, and you do not want your material to be displayed on this website, please get in touch with us via "contact us" page and your copyrighted material will be immediately removed.

shutterstock

Related Images